Industry application

行业应用

充电桩
应用概述
充电桩应用概述

插电式混合动力/电动汽车包含一个高压电池子系统,可采用内置的车载充电器(OBC)或外部的充电桩进行充电。充电要求在高温环境下具有高电压、高电流和高性能,因此开发高能效、高性能、具有丰富保护功能的充电桩对于实现快速充电、提升续航历程至关重要。


mile米乐征推出了用于电动汽车直流充电桩的超级结MOSFET和具成本优势的IGBT方案。


充电桩
应用系统图
充电桩应用系统图
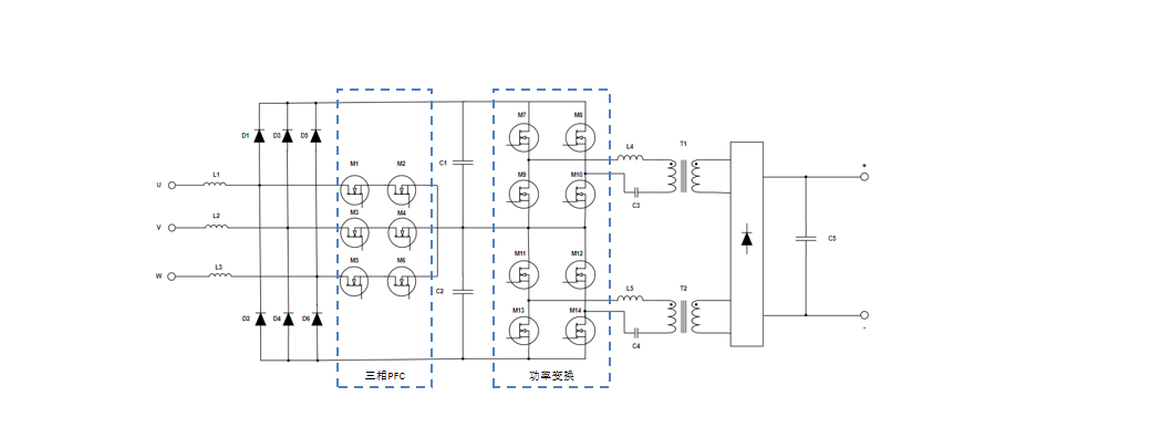
充电桩
应用拓扑图
充电桩应用拓扑图
充电桩
推荐产品

IGBT单管产品清单

Part Number VCE(V) Ic(A)@100℃ Vcesat(V) @25℃
typ
Eon(mJ) Eoff(mJ) Package Datasheet
MPBW50N65E 650 50 1.6 1.22 1.2 TO-247 Download
MPBW15N120BF 1200 15 1.8 1.17 0.95 TO-247 Download
MPBW25N120BF 1200 25 1.9 1.6 1.9 TO-247 Download
MPBW40N120BF 1200 40 1.85 1.6 3.0 TO-247 Download
MPBW40N120E 1200 40 1.7 2.56 2.13 TO-247 Download
MPBQ75N120BF 1200 75 1.9 4.6 4.4 TO-247 plus Download

SJ MOSFET产品清单

Part Number VDSS(V) ID(A)@25°C V(GS)th (V) RDS(on)(Ω)
@VGS=10V 25°C max
QG(nC) CFD Package Datasheet
MPSW60M041 600 66 2.5-4.5 0.041 140 - TO-247 Download
MPSW60M043CFD 600 66 3-5 0.043 140 Y TO-247 Download
MPSW60M086CFD 600 41 3-5 0.086 72 Y TO-247 Download
MPSW65M046CFD 650 62 3-5 0.046 140 Y TO-247 Download
MPSW65M092CFD 650 41 3-5 0.092 72 Y TO-247 Download